Всех приветствую! может кто сталкивался с этим подъемникам как в нем поменять аккумуляторы ни где не могу найти как его разобрать все хитро собрано(( даже не знаю что за аккумы стоят, иформация такая два 12В 3.2ah
Ответ для Раш:
Хотела вам помочь, просмотрела множество сайтов. Но, увы... Нашла только то, что батареи в вашем лифте называются 2 x 12V 3,2 Ah. А как их менять самому – никакой информации нет. Везде рекомендуют вызывать представителей этой фирмы и делать регулярное обслуживание лифта.
Попробуйте написать e-mail на сайт производителя, в его технический отдел. Достаточно будет одного предложения с вопросом. Они обязательно ответят.
Ответ для Раш:
В потолочных подъемниках обычно аккумуляторы устанавливаются в специальные крепления, так что при замене сначало надо смотреть на размер, а потом на емкость. Обычно подбираю вот на этом сайте, там и по размеру и емкости подбор, да и аналоги на любой кошелек:
Ответ для Sherif:
ого это уже походит) только вот подъемник совсем другой чем тот что я на фото скинул(( или принцып один сбор разбор, боюсь что ли бо повредить, а почему на отдаю специалисту так потому что я не москвич, а он только в москве(
Ответ для Раш:
В том файле что я кинул описание не одного подъемника.
Более похожий к вашему Roomer S описан с 21 страницы.
Посмотрите внимательнее на свой, думаю он разбирается также как и Roomer S
служба поддержки вот какие данные скинула по аккумуляторам, таких что то не видно даже( The Battery is called “Batteri CTG3.2-12” with article number 20203.
Ответ для Раш:
Можно переделать на литий. У них и емкость больше и служат дольше.
Надо обратиться к спецам, что делают аккумуляторы для электроинструмента.
зы.
А свинцовый аккумулятор берите как можно свежее по дате выпуска.
и еще такой вопрос, где эти подъемники продают, у них есть в продаже аккумуляторы для него, но они не говорят какие пока не оплатишь товар) за одну штуку просто 8250(( я таких цен на аккумы не могу в инете найти, все почти от 500 до 1700, обман их или хитрость.
Раш
12 янв. 2018 19:57
подъемник Hamen care roomer 5200
Раш
12 янв. 2018 20:51
подъемник Hamen care roomer 5200
marival
13 янв. 2018 01:58
подъемник Hamen care roomer 5200Хотела вам помочь, просмотрела множество сайтов. Но, увы... Нашла только то, что батареи в вашем лифте называются 2 x 12V 3,2 Ah. А как их менять самому – никакой информации нет. Везде рекомендуют вызывать представителей этой фирмы и делать регулярное обслуживание лифта.
Попробуйте написать e-mail на сайт производителя, в его технический отдел. Достаточно будет одного предложения с вопросом. Они обязательно ответят.
Sherif
13 янв. 2018 09:58
подъемник Hamen care roomer 520029 страница
пумба
13 янв. 2018 13:34
подъемник Hamen care roomer 5200В потолочных подъемниках обычно аккумуляторы устанавливаются в специальные крепления, так что при замене сначало надо смотреть на размер, а потом на емкость. Обычно подбираю вот на этом сайте, там и по размеру и емкости подбор, да и аналоги на любой кошелек:
Раш
13 янв. 2018 14:53
подъемник Hamen care roomer 5200ого это уже походит) только вот подъемник совсем другой чем тот что я на фото скинул(( или принцып один сбор разбор, боюсь что ли бо повредить, а почему на отдаю специалисту так потому что я не москвич, а он только в москве(
Раш
13 янв. 2018 15:10
подъемник Hamen care roomer 5200спасибо)
Раш
13 янв. 2018 17:58
подъемник Hamen care roomer 5200спасибо, это понятно что размер, не могу его разобрать(( то что выше скинули там другой(( а мой разбирается видимо по новому.
Sherif
14 янв. 2018 10:58
подъемник Hamen care roomer 5200В том файле что я кинул описание не одного подъемника.
Более похожий к вашему Roomer S описан с 21 страницы.
Посмотрите внимательнее на свой, думаю он разбирается также как и Roomer S
Раш
14 янв. 2018 14:46
подъемник Hamen care roomer 5200на моем нету шурупов снизу, и снимается как я понимаю врехняя часть, а на том нежняя(( может где то есть на мою модель...
Sherif
15 янв. 2018 09:30
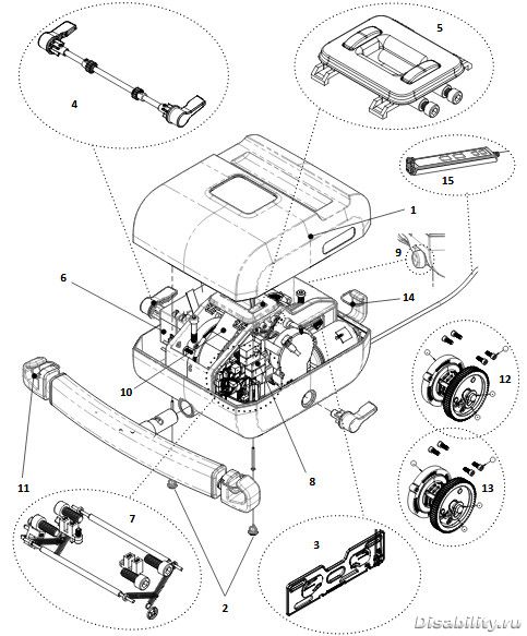
подъемник Hamen care roomer 5200На Roomer S снимается верхняя часть (номер 1)
Шурупы снизу под заглушками (номер 2)
Если можете сделайте фото нижней части вашего подъемника.
Раш
15 янв. 2018 12:04
подъемник Hamen care roomer 5200
Sherif
15 янв. 2018 12:46
подъемник Hamen care roomer 5200Так внизу есть шурупы.
Думаю нужные вам находятся под ножками, снимите резинки с ножек.
Раш
15 янв. 2018 13:10
подъемник Hamen care roomer 5200сам не могу этого сделать, буду ждать кто поможет когда в гости зайдет(
Раш
15 янв. 2018 19:49
подъемник Hamen care roomer 5200
Раш
16 янв. 2018 10:29
подъемник Hamen care roomer 5200какой выбрать?
Delta DTM 12032
General Security GS 3,2- 12
LEOCH DJW12-3.2
Dedan
16 янв. 2018 11:35
подъемник Hamen care roomer 5200Можно переделать на литий. У них и емкость больше и служат дольше.
Надо обратиться к спецам, что делают аккумуляторы для электроинструмента.
зы.
А свинцовый аккумулятор берите как можно свежее по дате выпуска.
Sherif
16 янв. 2018 11:42
подъемник Hamen care roomer 5200Прежде чем выбирать АКБ узнайте размер своих. А то потом могут по размеру не подойти.
Раш
16 янв. 2018 13:35
подъемник Hamen care roomer 5200просто все 3.2ah размер один, разница в миллиметр.
Раш
16 янв. 2018 13:54
подъемник Hamen care roomer 5200